電路圖
電路圖是指用電路元件符號表示電路連接的圖。電路圖是人們為研究、工程規劃的需要,用物理電學標準化的符號繪制的一種表示各元器件組成及器件關系的原理布局圖。由電路圖可以得知組件間的工作原理,為分析性能、安裝電子、電器產品提供規劃方案。在設計電路中,工程師可從容在紙上或電腦上進行,確認完善后再進行實際安裝。通過調試改進、修復錯誤、直至成功。采用電路仿真軟件進行電路輔助設計、虛擬的電路實驗,可提高工程師工作效率、節約學習時間,使實物圖更直觀。
掌握電路工作原理
看懂電路圖首先得掌握電路工作原理,接下來會講到如何掌握電路工作原理。
(1)分析主電路。從主電路人手,根據每臺電動機和執行電器的控制要求去分析各電動機和執行電器的控制內容,如電動機啟動、轉向控制、制動等基本控制環節。
(2)分析輔助電路。看輔助電路電源,弄清輔助電路中各電器元件的作用及其相互間的制約關系。
(3)分析聯鎖與保護環節。生產機械對于安全性、可靠性有很高的要求,實現這些要求,除了合理地選擇拖動、控制方案以外,在控制線路中還設置了一系列電氣保護和必要的電氣聯鎖。
(4)分析特殊控制環節。在某些控制線路中,還設置了一些與主電路、控制電路關系不密切,相對獨立的某些特殊環節。如產品計數裝置、自動檢測系統、晶閘管觸發電路、自動調溫裝置等。這些部分往往自成一個小系統,其讀圖分析的方法可參照上述分析過程,并靈活運用所學過的電子技術、交流技術、自控系統、檢測與轉換等知識逐一分析。
(5)總體檢查。經過化整為零,逐步分析了每一局部電路的工作原理以及各部分之間的控制關系之后,還必須用集零為整的方法,檢查整個控制線路,看是否有遺漏。最后還要從整體角度去進一步檢查和理解各控制環節之間的聯系,以達到清楚地理解電路圖中每一電氣元器件的作用、工作過程及主要參數。
教你三步看懂電路圖
看懂電路圖的工作原理后,下面就是教你三步看懂電路圖
1、根據由大到小,由粗到細的順序識讀各種電路圖
一般的電路圖主要有整機或系統方框圖、板塊或系統電路原理圖、印刷電路板圖和板塊連線圖等類型。這些電路圖各有各的用途和特點,但又有內在聯系。在識讀這些電路圖時,可以按照由大到小、由粗到細的順序來識讀。這個順序符合人們認識事物的一般規律,實踐證明是行之有效的辦法,可使初學者少走許多彎路。
2、根據基本電路程式可以識讀電路方框圖(系統、板塊或整機)
整機電路圖有幾種類型,其中組成方框圖是其它類型電路圖的基礎,也是識讀電路圖的基礎。方框圖又有整機簡化方框圖、整機詳細方框圖、板塊組成方框圖及系統方框圖等類型。有時,讀者手邊資料不全,可能沒有上述各種方框圖,或者方框圖類型不全,為了正確、深入地讀圖,讀者應當畫出參考性組成方框圖。
根據基本電路程式,可畫出電路方框圖。根據整機電路原理圖的電路程式可畫出整機組成方框圖,根據板塊電路圖的電路程式可畫出板塊系統組成方框圖,根據系統電路圖的電路程式可畫出系統方框圖。電路組成方框圖不反映電路的具體結構,主要是反映電路的功能,反映信號的變換過程,反映各級電路或各系統電路之間的聯系,反映各種信號的來龍去脈。實際上,看電路圖的重要任務之一,就是研究分析傳輸信號的內容、種類、波形及它們的變換規律。繪制方框圖的過程是認識電路的實踐過程,是分析研究電路的一個實踐階段,可為深入識讀實用電路圖奠定思想和物質基礎。所畫方框圖可反映讀者識讀結果和水平。
3、根據整機信號變換原理來剖析實用電路原理圖(系統、板塊及整機)
在識讀方框圖基礎上,還必須進一步識讀具體的實用電路原理圖。欲真正理解電路原理圖,必須結合整機的基本原理來進行識讀,也就是說,要分析通過什么具體電路來完成信號處理過程,為什么使用該電路完成此功能,而不是使用其它別的電路。
根據電路功能的粗細、大小,可將實用電路圖分為單元電路圖、系統電路圖、板塊電路圖及整機電路圖等。由于集成化水平日益提高,大量的單元電路已進入集成芯片內,因而目前剖析實用電路圖主要是剖析系統電路圖和板塊電路圖。實際上,識讀系統電路和板塊電路主要是識讀集成電路,即識讀集成塊的類型功能、信號處理過程以及引出腳的功能,還要識讀各集電電路之間的聯系、集成電路與外圍電路或元件的聯系等。
看電路圖的方法與步驟舉例說明
1、判斷信號處理流程方向
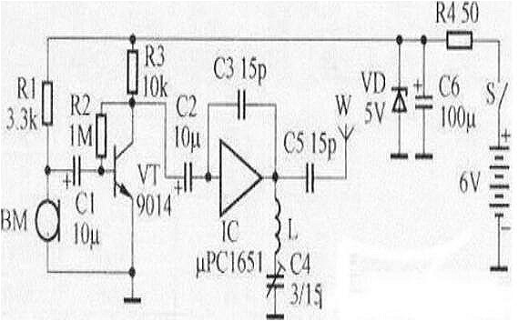
根據電路圖的整體功能,找出整個電路圓的總輸入端和總輸出端,即可判斷出電路圖的信號處理流程方向。無線話筒的功能是將話音信號調制到高頻信號上發射出去,圖1電路圖中,話筒BM為總輸入端,天線W為總輸出端。從總輸入端到總輸出端即為信號處理流程方向,圖1為從左到右的方向依次排列。

2、劃分單元電路
一般來講,晶體管、集成電路等是各單元電路的核心元器件。因此,我們可以以晶體管或集成電路等主要元器件為標志,按照信號處理流程方向將電路圖分解為若干個單元電路,并據此畫出電路原理方框圖。方框圖有助于我們掌握和分析電路圖。
3、分析直流供電電路
電路圖中通常將電源安排在右側,直流供電電路按照從右到左的方向排列。圖1中,整機電路的直流工作電源是6伏電池,R4、C6和穩壓二極管VD構成穩壓電路,以提高電路工作的穩定性。S為電源開關。
電路圖分類
1、原理圖
又被叫做“電原理圖”。這種圖,由于它直接體現了電子電路的結構和工作原理,所以一般用在設計、分析電路中。分析電路時,通過識別圖紙上所畫的各種電路元件符號,以及它們之間的連接方式,就可以了解電路實際工作時的原理,原理圖就是用來體現電子電路的工作原理的一種工具。
2、方框圖
簡稱框圖,方框圖是一種用方框和連線來表示電路工作原理和構成概況的電路圖。從根本上說,這也是一種原理圖,不過在這種圖紙中,除了方框和連線,幾乎就沒有別的符號了。它和上面的原理圖主要的區別就在于原理圖上詳細地繪制了電路的全部的元器件和它們的連接方式,而方框圖只是簡單地將電路按照功能劃分為幾個部分,將每一個部分描繪成一個方框,在方框中加上簡單的文字說明,在方框間用連線(有時用帶箭頭的連線)說明各個方框之間的關系。所以方框圖只能用來體現電路的大致工作原理,而原理圖除了詳細地表明電路的工作原理之外,還可以用來作為采集元件、制作電路的依據。
3、裝配圖
它是為了進行電路裝配而采用的一種圖紙,圖上的符號往往是電路元件的實物的外形圖。我們只要照著圖上畫的樣子,依樣畫葫蘆地把一些電路元器件連接起來就能夠完成電路的裝配。這種電路圖一般是供初學者使用的。 裝配圖根據裝配模板的不同而各不一樣,大多數作為電子產品的場合,用的都是下面要介紹的印刷線路板,所以印板圖是裝配圖的主要形式。 在初學電子知識時,為了能早一點接觸電子技術,我們選用了螺孔板作為基本的安裝模板,因此安裝圖也就變成另一種模式。
4、印板圖
印板圖的全名是“印刷電路板圖”或“印刷線路板圖”,它和裝配圖其實屬于同一類的電路圖,都是供裝配實際電路使用的。 印刷電路板是在一塊絕緣板上先覆上一層金屬箔,再將電路不需要的金屬箔腐蝕掉,剩下的部分金屬箔作為電路元器件之間的連接線,然后將電路中的元器件安裝在這塊絕緣板上,利用板上剩余的金屬箔作為元器件之間導電的連線,完成電路的連接。由于這種電路板的一面或兩面覆的金屬是銅皮,所以印刷電路板又叫“覆銅板”。印板圖的元件分布往往和原理圖中大不一樣。這主要是因為,在印刷電路板的設計中,主要考慮所有元件的分布和連接是否合理,要考慮元件體積、散熱、抗干擾、抗耦合等等諸多因素,綜合這些因素設計出來的印刷電路板,從外觀看很難和原理圖完全一致;而實際上卻能更好地實現電路的功能。 隨著科技發展,現在印刷線路板的制作技術已經有了很大的發展;除了單面板、雙面板外,還有多面板,已經大量運用到日常生活、工業生產、國防建設、航天事業等許多領域。 在上面介紹的四種形式的電路圖中,電原理圖是最常用也是最重要的,能夠看懂原理圖,也就基本掌握了電路的原理,繪制方框圖,設計裝配圖、印板圖這都比較容易了。掌握了原理圖,進行電器的維修、設計,也是十分方便的。因此,關鍵是掌握原理圖。
烜芯微專業制造二極管,三極管,MOS管,橋堆20年,工廠直銷省20%,1500家電路電器生產企業選用,專業的工程師幫您穩定好每一批產品,如果您有遇到什么需要幫助解決的,可以點擊右邊的工程師,或者點擊銷售經理給您精準的報價以及產品介紹
烜芯微專業制造二極管,三極管,MOS管,橋堆20年,工廠直銷省20%,1500家電路電器生產企業選用,專業的工程師幫您穩定好每一批產品,如果您有遇到什么需要幫助解決的,可以點擊右邊的工程師,或者點擊銷售經理給您精準的報價以及產品介紹

