電路中加上拉電阻或下拉電阻的目的是確定某個狀態(tài)電路中的高電平或低電平。下面舉幾個例子進行講解:
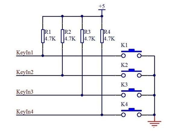
按鍵檢測中的上拉電阻


增加上拉電阻的目的是使當按鍵斷開時,KeyIn1處于高電平狀態(tài),若無上拉,懸空,狀態(tài)無法確定。斷開為1,閉合為0,數字邏輯關系明確。
比較器輸出加上拉電阻


當比較器反相輸入端電壓>同相輸入端電壓時,比較器輸出低電平(地),沒問題;
當比較器反相輸入端電壓<同相輸入端電壓時,若無上拉電阻,比較器是不會輸出高電平的,而是相當于懸空狀態(tài)的導線,只有增加上拉電阻才會輸出高電平。
三極管、MOS管等控制端上拉或下拉


三極管和MOS管當開關使用時,控制端加上拉或下拉電阻的目的是當沒有輸入信號時,使控制極處于穩(wěn)定電平狀態(tài),確保三極管或MOS管截止。
還有處理器IO口、光耦輸出、某些反相器等增加上拉或下拉電阻的目的也是一樣的,為了確定電平狀態(tài)。
烜芯微專業(yè)制造二極管,三極管,MOS管,橋堆等,20年,工廠直銷省20%,1500家電路電器生產企業(yè)選用,專業(yè)的工程師幫您穩(wěn)定好每一批產品,如果您有遇到什么需要幫助解決的,可以直接聯(lián)系上方的聯(lián)系號碼或加QQ,由我們的銷售經理給您精準的報價以及產品介紹
烜芯微專業(yè)制造二極管,三極管,MOS管,橋堆等,20年,工廠直銷省20%,1500家電路電器生產企業(yè)選用,專業(yè)的工程師幫您穩(wěn)定好每一批產品,如果您有遇到什么需要幫助解決的,可以直接聯(lián)系上方的聯(lián)系號碼或加QQ,由我們的銷售經理給您精準的報價以及產品介紹

