鉗位器(clamper)可以將輸入波形整體上移或下移,“clamper”在 英語中的原意是“夾具”的意思,很形象地說明了它可以把波形任意鉗夾在某個電平處。
如下圖所示:

圖 2-5.01
鉗位電路的核心器件是二極管和電容,下面我們具體分析實現各種鉗位的電路圖。同樣的,為方便分析,我們假設下面的二極管為理想二極管,即導通時理想二極管上的壓降為0。
以下分析的輸入電壓vi皆設為正弦電壓,表達式為:

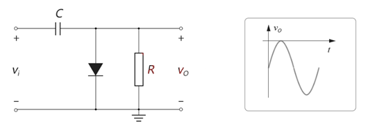
1. 下鉗位電路
(1) 標準下鉗位電路
我們先介紹下鉗位電路的標準型,其電路和輸出波形如下圖所示:

圖 2-5.02
這個電路的關鍵點在于,電容C和負載電阻R的值要取的比較大,這樣當電容通過R進行放電時,時間常數 τ=RC會比較大,放電過程會非常緩慢。下面我們一步步分析其工作原理:
(1) 當輸入電壓vi從0開始增大時,會給電容C充電,此時二極管正向導通。在C的右邊,二極管和電容并聯,但由于電阻R值比較大,所以充電電流回路主要從二極管上走。
又由于二極管的電阻非常小(理想導通情況下近似短路),所以充電速度極快,我們可以近似認為,電容上的電壓幾乎就是等于輸入電壓。充電電流回路如下圖所示:

圖 2-5.04
(3) 前面說過,由于電阻R和電容C的值都取得很大,所以放電速度非常緩慢。當輸入電壓經過正峰值Vm,再走到負半周,再變正,再回到正峰值Vm前,電容雖然一直在向輸入電源放電,但放電速度極其緩慢。
所以當輸入電壓再次達到正峰值Vm時,電容上存儲的電壓只下降了很小一點點,甚至可以近似認為電容上存儲的電壓幾乎沒怎么變化,仍為Vm。
而輸入電壓vi最大也就到Vm,已經沒什么資格給電容充電了。所以可以近似認為,電容上存儲的電壓,從此一直保持為Vm不變。
(4) 接著結論就是順理成章的事情啦,從電路圖上可以得出,輸出電壓vo的表達式為:vo=vi-vC,根據上面的分析,電容電壓vC一直保持為Vm不變,則輸出電壓最終可表達為:vo=vi-Vm,相當于將輸入電壓向下平移了Vm。
如下圖所示:

圖 2-5.05
(5) 最后再考慮一下非理想二極管的情況。對于非理想二極管,當正向導通時,其上有0.7V的壓降。
根據上面“圖2-5.03”的充電回路可以看出,電容上可充到的電壓為:Vm-0.7V,則最終輸出電壓的表達式為:vo=vi-(Vm-0.7V)= vi-Vm+0.7V。
(2) 偏置下鉗位電路
從上面的分析可看到,標準下鉗位電路只能將輸入波形向下平移Vm,那如果我們要向下平移任意電平怎么辦?很簡單,在二極管上再加個偏置電壓,如下圖所示:

圖 2-5.06
只要理解了前面的標準下鉗位電路,這個偏置分析就很簡單啦,在“下鉗位偏置上移電路”中,電容C充電后的維持的電壓為:vc=Vm-V1,則最終輸出電壓為:vo=vi-vc=vi-Vm+V1。
在“下鉗位偏置下移電路”中,電容C充電后的維持的電壓為:
vc=vm+v1,則最終輸出電壓為:vo=vi-vc=vi-vm-v1。
2. 上鉗位電路
(1) 標準上鉗位電路
上鉗位電路的標準型,如下圖所示:

圖 2-5.07
分析也是類似的,這里就簡略描述了:一開始當輸入電壓vi處于正半周時,二極管截止,vi通過電阻R形成回路給電容充電,但是由于R非常大,所以充電速度非常緩慢。
當輸入電壓進入負半周時,電容上被充的電壓幾乎為0。此時vi小于0時,二極管導通,充電電流通過二極管回路開始對電容C快速充電,電容電壓最大可充到Vm(注意圖中電容電壓的正負方向),從此電容電壓Vm保持不變。輸出電壓為:vo=vi+vc=vi+Vm,相當于將輸入電壓上移了Vm。
(2) 偏置上鉗位電路
上鉗位電路也可以加偏置電壓,達到上移任意電平的效果,如下圖所示:

圖 2-5.08
在“上鉗位偏置上移電路”中,電容C充電后的維持的電壓為:
vc=vm+v1,則最終輸出電壓為:vo=vi+vc=vi+vm+v1。
在“上鉗位偏置下移電路”中,電容C充電后的維持的電壓為:
vc=vm-v1,則最終輸出電壓為:vo=vi+vc=vi+vm-v1。
電話:18923864027(同微信)
QQ:709211280
〈烜芯微/XXW〉專業(yè)制造二極管,三極管,MOS管,橋堆等,20年,工廠直銷省20%,上萬家電路電器生產企業(yè)選用,專業(yè)的工程師幫您穩(wěn)定好每一批產品,如果您有遇到什么需要幫助解決的,可以直接聯系下方的聯系號碼或加QQ/微信,由我們的銷售經理給您精準的報價以及產品介紹

