車載電源
隨著社會生活水平的提高,我們對汽車的要求已經從簡單的代步工具轉化為了集娛樂、生活、辦公等多功能的移動場所。如需完成以上生活、工作、娛樂任務,筆記本電腦等電子設備一定是不可或缺的。
電子移動設備一般采用220V/50Hz的工頻正弦交流電,車上12V/24V的直流電蓄電池是無法直接為我們的移動電子設備供電的,所以出現了車載電源轉換器,即逆變電源。
相較于市場較多的修正弦波逆變器,純正弦波逆變器彌補了修正弦波逆變器連續性不好的缺點,具有安全性強,電源轉化率高,控制方法簡單的特點。
2020年Sun Jun Min設計了一款功率為500W,輸入電壓為直流20V,輸出電壓為交流220V/50Hz的逆變電源。經實驗樣機測試,其效率約為88%,具有噪聲小、安全可靠等特點。

逆變電路總體結構設計框圖
整體電路
主要參數
DC-DC升壓電路+控制電路(推挽式):
蓄電池:VARTA 6-QW-6(580)-L
MOS管:VD>30V
整流二極管:DSEI30
主控芯片:TL494
DC-AC逆變電路+控制電路(全橋式):
MOS管:VD=600V,ID=10A
濾波電容:2.25μf/2.4mH
主控芯片:TDS2285
20M無源晶振
整流器1N4007
磁芯:EE55
光耦:TLP250
DC-DC升壓電路

DC-DC升壓主電路圖
DC-DC高頻升壓部分采用推挽式拓撲結構。在DC-DC升壓電路中,選用MOSFET作為開關器件,場效應管所需承受的最大電壓約為30V,選型時MOS管的最大耐受電壓應留有余量。

DC-DC PWM驅動電路
DC-DC升壓控制電路采用PWM脈沖寬度調制技術,選用TL494做為主控芯片,其內部包含全部的脈沖寬度調制控制電路,是個集成了開關電源控制所需全部模塊的芯片。
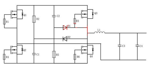
DC-AC逆變電路

DC-AC逆變電路原理圖
DC-AC逆變電路的主回路采用的是全橋式結構,和開關管并聯的二極管起到保護作用。

DC-AC SPWM驅動電路
逆變部分的控制電路采用TDS2285作為主控芯片,并采用了光耦芯片TLP250,增加了硬件電路的可靠性。
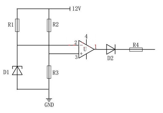
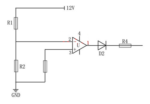
保護電路設計
為了保證電源的可靠性,其保護電路由輸入防反接保護電路、輸入過壓保護電路和欠壓保護電路組成。

輸入反接保護電路

輸入欠壓保護

輸入過壓保護
電話:18923864027(同微信)
QQ:709211280
〈烜芯微/XXW〉專業制造二極管,三極管,MOS管,橋堆等,20年,工廠直銷省20%,上萬家電路電器生產企業選用,專業的工程師幫您穩定好每一批產品,如果您有遇到什么需要幫助解決的,可以直接聯系下方的聯系號碼或加QQ/微信,由我們的銷售經理給您精準的報價以及產品介紹

