變頻器的結構與原理
變頻器的發展也同樣要經歷一個徐徐漸進的過程,最初的變頻器并不是采用這種交直交:交流變直流而后再變交流這種拓撲,而是直接交交,無中間直流環節。
這種變頻器叫交交變頻器,目前這種變頻器在超大功率、低速調速有應用。其輸出頻率范圍為:0-17(1/2-1/3 輸入電壓頻率),所以不能滿足許多應用的要求,而且當時沒有IGBT,只有SCR,所以應用范圍有限。
變頻器其工作原理是將三相工頻電源經過幾組相控開關控制直接產生所需要變壓變頻電源,其優點是效率高,能量可以方便返回電網,其最大的缺點輸出的最高頻率必須小于輸入電源頻率1/3或1/2,否則輸出波形太差,電機產生抖動,不能工作。故交交變頻器至今局限低轉速調速場合,因而大大限制了它的使用范圍。

變頻器電路結構框架圖
通用變頻器的硬件電路

于DSP的通用變頻調速系統總體設計圖
其中主電路部分由整流電路、濾波電路、逆變電路(IPM)和IPM驅動電路與吸收電路組成。其工作原理是把單相交流電壓通過不可控整流模塊變為直流電壓,整流后的脈動電壓再經過大電容C1,C2平滑后成為穩定的直流電壓。IPM逆變電路對該直流電壓進行斬波,形成電壓和頻率均可調的三相交流電,提供給電機。
系統保護電路包括過壓、欠壓保護、限流啟動、IPM故障保護與泵升控制等。過壓、欠壓保護是利用電阻分壓采集母線電壓,與規定值相比較;
限流啟動是由于開啟主回路時,大電容充電瞬間引起的電流過大,這樣可能會損壞整流橋,因此在主回路上串聯限流電阻R1,當電容電壓達到規定值時,啟動繼電器把R1短路,主回路進入正常工作狀態;
IPM故障保護是IPM內部集成的各種保護功能,包括過電流保護功能、短路保護功能、控制電源欠電壓保護和管殼及管芯溫度過熱保護。
把上述各種故障信號進行綜合處理后形成總的故障信號送入DSP的PDPINTA故障中斷入口,進而封鎖DSP的PWM波輸出。
控制電路包括DSP最小系統電路、頻率輸入電路、光耦隔離電路等。最小系統由DSP本身和外擴的數據SRAM、程序SRAM、復位電路、晶振、譯碼電路、電源轉換電路和仿真接口JTAG電路組成,仿真接口JTAG電路是為了實現在線仿真,同時在調試過程裝載數據代碼和程序代碼;頻率輸入電路可以設置系統要輸出的SPWM波的頻率;光耦隔離電路是為了把DSP輸出的弱電信號和主電路的強電信號進行可靠隔離。
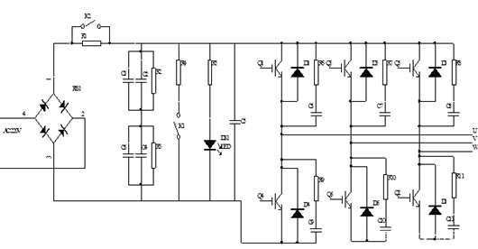
主電路原理圖如下圖所示,由整流電路、濾波電路、逆變電路(IPM)和IPM的吸收電路組成。
主電路采用典型的交-直-交電壓源型通用變頻器結構,輸入功率級采用單相橋式不可控整流電路RB1,整流輸出經中間環節大電容(由C1到C4電容組成)濾波,獲得平滑的直流電壓。
逆變部分通過功率器件IGBT的導通和關斷,輸出交變的脈沖電壓序列。由于功率器件開關頻率過高,會產生電壓尖脈沖,因此需要吸收電路來消除該尖峰。
圖中C5為C型吸收電路,R6到R11和C6到C11組成RC型吸收電路。發光二極管DS1用來顯示濾波電容兩端的電量。

主電路原理圖
〈烜芯微/XXW〉專業制造二極管,三極管,MOS管,橋堆等,20年,工廠直銷省20%,上萬家電路電器生產企業選用,專業的工程師幫您穩定好每一批產品,如果您有遇到什么需要幫助解決的,可以直接聯系下方的聯系號碼或加QQ/微信,由我們的銷售經理給您精準的報價以及產品介紹
聯系號碼:18923864027(同微信)
QQ:709211280

