雙穩態電路是我們經常用于作為單鍵控制負載開關電路。在這里我介紹一個由兩個MOS管構成的低功耗雙穩態電路。
如圖


假設Q1的G極輸入是高電平,Q1導通,輸出低電平,低電平接到Q2的G極,Q2截止,Q2輸出高電平,所以Q3也截止,LED燈滅。此時由于Q1輸出端D極為低電平,故電容C1通過R3放電。按下開關S1后,Q1輸入端G極變成低電平,Q1截止,輸出高電平,高電平接到Q2的G極,Q2導通,Q2輸出低電平,所以Q3也導通,LED燈亮。


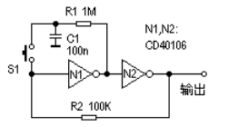
圖中的CD4010不就是反相器功能,用MOS管不也可以實現反相器功能,功耗也很低。就按上圖電路的框架用兩個MOS管構成兩個反相器,開關、電容、電阻的位置接點與上圖一樣。然后先用軟件進行仿真測試一下功能可不可以?可以后馬上進行實物搭板測試,并調整了一下電路參數。實測電路在4.2V時工作,功耗在4微A左右。經過幾天的試用,感覺很好用,在原來開關的位置上多并幾個開關,就可以變成一個多處共控一個燈的電路了。
〈烜芯微/XXW〉專業制造二極管,三極管,MOS管,橋堆等,20年,工廠直銷省20%,上萬家電路電器生產企業選用,專業的工程師幫您穩定好每一批產品,如果您有遇到什么需要幫助解決的,可以直接聯系下方的聯系號碼或加QQ/微信,由我們的銷售經理給您精準的報價以及產品介紹
聯系號碼:18923864027(同微信)
QQ:709211280

