一、數字電位器的結構組成
數字電位器主要由以下幾個關鍵部分構成:
電阻體 :這是數字電位器的核心組成部分,通常由碳膜、金屬膜或導電塑料等電阻材料制成,呈現為軌道或線圈的形式,為電路提供了可變電阻的基礎。
滑動觸點(電刷) :與傳統電位器類似,數字電位器也配備有滑動觸點,該觸點通過旋轉軸或滑桿進行移動,并與電阻體保持接觸,從而實現電阻值的變化。
三個端子 :包括兩端的固定端(標記為 A 端和 B 端),以及中間的滑動端(標記為 C 端),這三個端子是數字電位器與外部電路連接的關鍵接口。
二、數字電位器的工作原理
數字電位器的工作原理基于數字信號對內部電阻值進行精確控制。其內部結構包含一組離散的電阻元件,每個元件都具有特定的電阻值,并通過精心設計的排列和連接方式形成復雜的電阻網絡。此外,還配備了一套開關機制,用于控制各個電阻元件是否接入電路。


當數字信號輸入到數字電位器時,內部的控制器會根據信號的具體內容,操作相應的開關。這些開關的導通與截止狀態決定了哪些電阻元件參與電路工作,從而實現對總電阻值的靈活調整。通過不同的二進制信號組合,控制器可以精確地選擇參與電路的電阻元件,進而滿足各種復雜的電路需求。
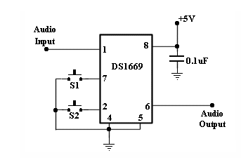
例如,DS1669 型數字電位器是一種典型的數字變阻器,它在阻性范圍內提供了 64 個均勻分布的抽頭點,并且有 10K、50K 和 100K 歐姆等多種標準版本可供選擇。該集成電路可以通過機械觸點閉合輸入或者數字源輸入(如 CPU)進行控制,廣泛應用于音頻電路中的音量控制等領域。
在實際應用中,我們可以通過控制 S1 和 S2 按鍵來調整聲音級別,實現音量的向上或向下調節。數字電位器在許多應用場景中都可以像傳統電位器一樣使用,例如用于 LCD 對比度調節或電平聲音控制等。DS1669 采用浸入式或 SOIC 封裝(8 引腳),工作電壓范圍在 4.5 至 8V DC 之間。
三、數字電位器的電路應用實例


以基于 X9CMME 型的完整數字電位計電路為例,該電路包含兩個控制按鍵 S1 和 S2、一個光學指示器以及一個時鐘發生器的延遲頻率轉換模塊。
當按鍵 S1 和 S2 處于斷開狀態時,電阻 R8 和 R9 會使 IC2d(NAND 門)的輸入以及 IC1 的 U/D 輸入保持高電平。此時,IC2d 的輸出端呈現低電平,導致時鐘發生器 IC2a 被禁用,頻率確定電容器 C1 處于放電狀態。
當按下其中一個按鍵(如用力按下 S1 或輕輕按下 S2)時,IC2d 的輸出狀態發生改變,從而使時鐘發生器和 IC1(通過 IC2b)被使能。電容 C1 開始通過 R1 和 R2 充電,直到 IC2a 的輸入電平變為低電平,此時連接到 IC1 時鐘輸入的柵極輸出狀態從低電平跳變到高電平。隨后,C1 通過 R1 和 D1 放電,直至達到 IC2a 的上限觸發電平,門電路再次改變狀態,上述過程不斷重復。時鐘信號通過 D3 進行光學監控。
當 IC2c 的輸出為高電平時,柵極從 C1 吸收部分充電電流,導致 /INC 的時鐘頻率相對較低。在時鐘發生器被啟用的同時,電容 C6 開始通過 R6 和 R7 逐漸充電,直到 IC2c 的輸出狀態從高電平變為低電平。此后,電路 IC2 為 C1 提供充電電流,使得時鐘頻率增加。在原型測試中,頻率在四秒內從 1.3Hz 上升到 3.1Hz。當松開按鍵后,時鐘發生器停止工作,同時 C6 通過 R6 和 D2 快速放電,以便在按鍵重新操作時,頻率能夠再次降低。
此外,由 R4 和 C2 組成的關斷延遲電路,使得實際計數器狀態能夠被內部邏輯存儲。整個電路在工作過程中的電流消耗非常低,僅為 0.3 - 1.0mA。
〈烜芯微/XXW〉專業制造二極管,三極管,MOS管,橋堆等,20年,工廠直銷省20%,上萬家電路電器生產企業選用,專業的工程師幫您穩定好每一批產品,如果您有遇到什么需要幫助解決的,可以直接聯系下方的聯系號碼或加QQ/微信,由我們的銷售經理給您精準的報價以及產品介紹
〈烜芯微/XXW〉專業制造二極管,三極管,MOS管,橋堆等,20年,工廠直銷省20%,上萬家電路電器生產企業選用,專業的工程師幫您穩定好每一批產品,如果您有遇到什么需要幫助解決的,可以直接聯系下方的聯系號碼或加QQ/微信,由我們的銷售經理給您精準的報價以及產品介紹
聯系號碼:18923864027(同微信)
QQ:709211280

